A Brief History of Light – So Far
Bidraget med av DigiKey
2012-06-19
Introduction and background
“And God said, ‘Let there be light’, and there was light: And God saw the light, and it was good. And God divided the light from the darkness.” (Genesis 1:3-4, ASV). I am pretty sure that most of us are familiar with these opening words from the book of Genesis and regardless of whether you believe them to be true or not, the fact remains that we now have both darkness and light in this world of ours. But what is light, where does it come from, how is it generated, and what does its future look like?
These are all good questions, but I do not intend to answer all of them in this article; however, I would like to take you on a brief history of light from approximately 14 billion years ago to this present day. Why 14 billion years ago? Because we know that this is about the age of the universe thanks to NASA’s Wilkinson Microwave Anisotropic Probe (abbreviated as WMAP). It was designed to map the universe with exquisite precision, detecting microwaves coming from the most distant source there is – the cooling fireball of the Big Bang. Our own solar system, which includes the sun and the earth, is much younger than the universe itself, being only about 4.5 billion years old. Thus, the major source of light on earth comes from our own sun. Now, about 4 billion years ago, our own moon was formed. Nobody knows for sure how this happened, although the four main hypotheses are: Fusion, Capture, Co-Formation, and Giant Impact. [For further information on these hypotheses, see Wikipedia]. Nevertheless, regardless of how the moon was formed, it provided us with an additional light source during our nighttime by reflecting photons from the sun back onto the earth’s surface.
It is generally accepted that man (Homo Erectus) did not appear on earth until about 1,000,000 years ago – a mere blink of an eye in cosmic terms. Clearly, these early humans relied on the sun for their primary lighting since it would not be until much later that any man-made lighting would be available. In fact, many scientists claim that there is incontrovertible evidence which shows that early man created controlled fire about 125,000 years ago. So it was that flaming torches were made and used as the first artificial light sources. However, it was just 17,000 years ago that prehistoric man used lamps for illumination purposes. These lamps were usually made from shells, rocks or horns and were filled with animal or vegetable fats for fuel and used a fiber wick. It would be another 10,000 years later before the fuel for these lamps would consist of olive, nut, sesame or fish oils. These lamps would go through many modifications in materials during the course of next 5,000 years. Then, around 500 B.C., Pythagoras put forth the 'Particle' theory of light. This assumed that every visible object emits a steady stream of particles that bombard the eye. He further suggested that "light consists of rays that, acting like feelers, travel in straight lines from the eye to the object, and the sensation of sight is obtained when these rays touch the object."
It was not until 400 A.D. that the next advancement in lighting took place with the invention of the candle. These would be used as the predominant lighting source for next 1,400 years. Nevertheless, an important discovery that would have significance for modern lighting took place in 1666, when Isaac Newton (who was only 23 at the time), performed his famous prism experiment. He noticed and recorded that sunlight is white light that contains all the colors of the spectrum. Similarly, in 1752, Benjamin Franklin performed his celebrated experiment with the kite. He invented the lightning rod and offered an explanation of positive and negative electricity. The significance of this explanation would be exploited about 100 years later with the invention of the incandescent light bulb. Next, in 1792, William Murdock heated coal to produce gas and used it to light his home and office in Cornwall, England. This was the first time that gas was used as a fuel to produce artificial light. Then, after the discovery of natural gas in the early 1800’s, mainstream adoption of gas lighting occurred in homes, offices, factories and streetlights.
In 1877, Thomas Edison became interested and experimented with electric lighting. A year later, with some help from a friend, he founded the Edison Electric Light Company whose objectives were: "to own, manufacture, operate, and license the use of various apparatus used in producing light, heat or power by electricity." Although Edison did not invent the electric filament lamp, he did turn theory into a practicable form and was one of the first to successfully market incandescent lighting. The first patent covering an incandescent lamp was actually submitted by Henry Woodward and Matthew Evans in 1874 - approximately five years before the development of the Edison lamp. However, it was German chemist Herman Sprengel who pioneered the vacuum light bulb in 1865.
Although the incandescent light bulb has enjoyed a spot in the limelight for over a hundred years or more, it too, has another new technology threatening to topple it from its dominance in the lighting arena – the white light emitting diode, aka the LED.
The white LED and the pending demise of the incandescent light bulb
An LED is a semiconductor device that emits incoherent narrow-spectrum light when electrically forward biased, resulting in a form of electroluminescence. In other words, the direct conversion of electric energy to light by a solid phosphor subjected to an electric field. The color of the emitted light depends on the chemical composition of the semiconductor material used and can be near ultraviolet, visible or infrared.
LED technology has increased significantly over the past couple of years. Higher brightness levels, higher efficiencies, longer lifetimes, and decreasing costs have spun out from the many advances made in terms of heat dissipation, packaging and processing. Unlike incandescent light bulbs, LEDs do not have a filament that will burn out and they tend to run cooler. Furthermore, Incandescent light bulbs waste 95 percent of the energy they consume as heat.
A high power, or high brightness (HB), LED’s light output has already exceeded the critical milestone of 100 lumens per Watt (lm/W). In fact, some manufacturers are already claiming 200 lm/W in the laboratory. Clearly, LEDs have surpassed an incandescent light bulb (15 lm/W for a typical 60 W bulb) in terms of luminous efficacy. Said another way, this is the amount of light output from a light source, measured in lumens, as a ratio of the amount of power consumed to produce it, measured in Watts. Even so, it is projected that within the next 12 months, LEDs with 150 lm/W output will be readily available in the marketplace. Another added benefit is LED lifetime. Depending on how it is calculated, a white LED bulb has at least a 50,000-hour lifetime and some even claim up to 100,000 hours, while an incandescent bulb’s life is around 1,200 to 1,500 hours.
The cost of HB LED lighting has also been come down very quickly. The cost of individual white-light diodes, several of which go into an LED-based bulb and make up much of the cost, have come down in price from about $4 a few years ago to less than $1 today. Many LED industry analysts predict that over the course of the next twelve months, LED bulb replacements for the incandescent light bulb will be priced at a level that will be acceptable for the consumer. Some LED manufacturers have already claimed that they have designed light-emitting chips that could power an LED bulb producing light output comparable to a 75 W incandescent bulb so commonly used in most homes. This type of LED chip usually only requires about 9 W of power in order to be able to produce the same amount of lighting.
These advancements are significant because the U.S. Department of Energy (DoE) has stated that lighting consumes 22 percent of the electricity produced in the United States. Widespread use of LED lighting could cut this consumption in half. To put this into perspective, by 2027, LED lighting could cut the annual energy use by the equivalent of 500 million barrels of oil, with the attendant reduction in emissions of carbon dioxide.
Automobiles want their LEDs, too
This year, the market size for HB LEDs is expected to reach $12 billion and grow to $20.2 billion by 2015 - a CAGR of 30.6 percent (according to Strategies Unlimited). One of the key application areas driving this significant growth factor are the LEDs used inside automobiles. Applications range from headlights, daytime running lights, and brake lights to instrument cluster display backlighting, as well as all kinds of in-cabin vanity lighting. However, in order to maintain this impressive growth rate, LEDs must not only offer enhanced reliability, reduced power consumption, and more compact form factors, but must also provide improvements in contrast ratios and color accuracy. Furthermore, in an automotive environment, all of these improvements must be optimized while also withstanding the rigors of the relatively caustic automotive electrical and physical environment. It goes without saying that these solutions must offer a very low profile and compact footprint while simultaneously enhancing overall cost-effectiveness.
But how can this impressive growth potential in automotive lighting be supported? First of all, LEDs are ten times more efficient at producing light than incandescent bulbs. They are almost twice as efficient as fluorescent lamps, including cold cathode fluorescent lamps (CCFL), thereby reducing the amount of electrical power required to deliver a given amount of light output (measured in lumens per watt). As LEDs are further developed, their efficacy, or ability to produce lumens of light output from an electrical power source, will only continue to rise. Secondly, in this environmentally conscious world of ours, LED lighting does not require the handling, exposure and disposal of the toxic mercury vapor commonly found in CCFL bulbs. In succinct terms, LEDs are “Green”. Finally, incandescent bulbs are usually required to be replaced after approximately 1,000 hours of operation while fluorescent bulbs can last as long as 10,000 hours. However, these figures are dwarfed in comparison to the 100,000-hour plus lifetimes afforded by LED lighting.
In most applications, this extended operating lifetime allows for LEDs to be permanently embedded into the end application. This is obviously important for the backlighting of automotive clusters, instrumentation and infotainment panels but it also becoming a “must have” for the headlights and brake lights since they would not require replacement during the working life of the car. Additionally, LEDs are orders of magnitude smaller and more compact than their counterparts and by using a configuration of red, green and blue LEDs, an infinite number of colors can be delivered.
Nevertheless, one of the biggest obstacles facing automotive lighting systems designers is how to optimize all of the features and benefits provided by this newest generation of LEDs. Since LEDs generally require an accurate and efficient current source and a means for dimming them, an LED driver IC must be designed to address these requirements under a wide variety of operating conditions. Further, their power supply solutions must be highly efficient, rugged and reliable while also being very compact and cost effective. Arguably one of the most demanding applications for driving LEDs will be the headlamp assembly (consisting of high and low beams, daytime running lights, fog lights and turn signal lights) since they are subjected to the rigors of an automotive electrical environment while simultaneously having to accommodate a wide variation of temperature conditions. Additionally, they must fit in a very space constrained area and have an attractive cost structure.
A new LED driver IC for automotive headlight applications
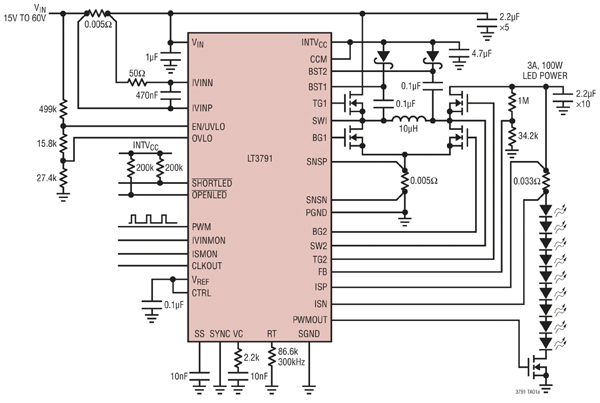
The LT3791 is a synchronous 4-switch buck-boost LED driver and voltage regulator controller, ideal for driving HB LEDs for automotive head lamp applications. The controller operates from input voltages above, below, or equal to the output voltage. It has a wide 4.5 V to 60 V input and 0 V to 60 V output range, along with seamless transitions between its operating modes.

A ground-based reference voltage feedback pin (FB) serves as the input for several LED protection features and makes it possible for the converter to operate as a constant-voltage source – as shown in the Figure 1 schematic. Fault protection is provided to survive and report an open or shorted LED condition, while a timer allows the LT3791 to continue to run, latch off, or restart when a fault occurs.
The LT3791 has proprietary current-mode topology and control architecture and uses a current sense resistor in both buck or boost modes. The sensed inductor current is controlled by the voltage on the VC pin (see Figure 2), which is the output of feedback amplifiers A11 and A12.

The VC pin is controlled by three inputs, one from the output current loop, another from the input current loop, and the last one from the feedback loop. Whichever feedback loop is higher takes precedence, forcing the converter into either a constant-current or a constant-voltage mode.
The LT3791 is designed to transition cleanly between its two modes of operation. Again, referring to the block diagram in Figure 2, the current sense amplifier A1 senses the voltage between the IVINP and IVINN pins and provides a pre-gain to amplifier A11. When the voltage between IVINP and IVINN reaches 50 mV, the output of A1 provides IVINMON_INT to the inverting input of A11 and the converter is in constant-current mode. If the current sense voltage exceeds 50 mV, the output of A1 increases causing the output of A11 to decrease, thus reducing the amount of current delivered to the output. In this manner, the current sense voltage is regulated to 50 mV.
The output current amplifier works similar to the input current amplifier but with a 100 mV voltage instead of 50 mV. The output current sense level is also adjustable by the CTRL pin. Forcing CTRL to less than 1.2 V forces ISMON_INT to the same level as CTRL, thus providing current-level control. The output current amplifier provides rail-to-rail operating. Similarly, if the FB pin goes above 1.2 V, the output of A11 decreases to reduce the current level and regulate the output. This is constant-voltage mode.
The LT3791 provides monitoring pins IVINMON and ISMON that are proportional to the voltage across the input and output current amplifiers, respectively.
Conclusion
The benefits of using LED lighting in any type of environment, including automotive, have several positive implications. First, they never need to be replaced, since their solid state longevity is in excess of 100K hours – equivalent to 11.5 service years. In the example of an automotive headlight, this allows automobile manufacturers to permanently embed them into the body of the frame without requiring accessibility for replacement. Styling can also be dramatically altered as LED lighting systems do not require the depth or area of incandescent bulbs. Finally, LEDs are also generally more efficient than fluorescent bulbs at delivering light output, measured in lumens/watt. This has two positive effects. First, it drains less electrical power from the automotive bus and, equally as important, it reduces the amount of heat that needs to be dissipated in the head lamps, thus eliminating any requirement for bulky and expensive heat sinking.
Finally, I hope that you have enjoyed this brief history of light which has taken us from the Big Bang almost 14 billion years ago right up to the present today with the emerging dominance of the LED. Looking backwards, one can clearly see that the pace of innovation in artificial lighting sources has reached exponential proportions. It is already evident that the future is bright for the LED while the days of the incandescent light bulb are already dimming. Nevertheless, we are still left with one lingering question: “What will be the next big thing in lighting?” Stay tuned.
Disclaimer: The opinions, beliefs, and viewpoints expressed by the various authors and/or forum participants on this website do not necessarily reflect the opinions, beliefs, and viewpoints of DigiKey or official policies of DigiKey.

