Maker.io main logo

NES Emulator for RP2040 DVI Boards

740

2024-02-06 | By Adafruit Industries

License: See Original Project Raspberry Pi MCU Raspberry Pi SBC RISC-V

Courtesy of Adafruit

Guide by Phillip Burgess

Overview

board_1

 

Nearly 40 years on, the original Nintendo Entertainment ‎System (or Famicom in Japan) still holds a certain mystique, with ‎genre-defining games like Super Mario Bros. and The Legend of ‎Zelda. The console remains a popular target for emulation, which is ‎what we’ll do here on the bonkers-‎affordable RP2040 microcontroller paired with an HDMI TV or ‎monitor for display, and with several controller options (including, ‎with a little soldering work, original NES controllers for That ‎Authentic Feel).‎

The software for this guide is Frank Hoedemakers’ pico-‎infonesPlus — a veritable rock soup of contributions, starting from ‎Jay Kumogata’s InfoNES, ported to RP2040 by Shuichi Takano ‎‎(building on Luke Wren’s PicoDVI library), Frank’s work on the SD ‎card menu, and some controller code from Adafruit. That’s a lot of ‎pieces…but we have ready-made .UF2 files to make installation easy ‎on various hardware combos!‎

Hardware Selection

There are a few ways this can be built; please read through the ‎guide to see what your options are. Parts links are provided as we ‎go. Think about how you might use this…and whether and how you ‎may want to re-use elements for other DIY projects later.‎

One path uses the Adafruit Feather RP2040 DVI board and SD card ‎FeatherWing. Other paths use the Raspberry Pi Pico development ‎board and either a Pimoroni Pico DV Demo Base or a Adafruit ‎DVI and Micro SD breakout boards. In any case, there may be some ‎additional bits and bobs needed — soldering iron and related ‎paraphernalia, USB cables depending on the path taken, and so ‎forth. These are discussed later, so again, please read through.‎

There are also different controller options: Sony DualShock 4 or ‎DualSense USB controllers, NES or SNES gamepads (with some ‎soldering), or Wii Classic Controller, each with some pros and cons ‎which we’ll explain.‎

All the different builds require a microSD memory card for holding ‎game ROM files. NES games are comparatively tiny, so if you have ‎an old card lying around that’s “too small for anything useful,” this is ‎its moment to shine.‎

An HDMI cable and TV or monitor are also assumed.‎

Controllers

Already, a fork in the road: choosing a controller. How do you want ‎this to feel in your hand? What might you have around already, or ‎how much fuss to invest?‎

USB Controllers

pico-infonesPlus can work with Sony DUALSHOCK ‎‎4 or DualSense controllers (via USB cable). These are not ‎inexpensive…but maybe you already have one on hand.‎

A downside to USB-based controllers with this project is that they do ‎have a bit of lag; not ideal for fast-twitch shooters but may suffice if ‎RPGs and casino games are more your style.‎

controllers_2

In addition to the controller itself, you’ll need a USB OTG cable to ‎adapt the controller’s USB-A plug to the receptacle on the ‎microcontroller board. This controller option might be easiest with ‎the Pico DV Demo Base, since that board has its own USB ‎connector for power, leaving the Pico RP2040 board’s USB micro-B ‎port free. For other boards, you’d need a USB OTG splitter cable with ‎both a USB-A port and a second port (USB micro-B or USB-C ‎depending on the board) for feeding power.‎

NES and SNES Gamepads

If you’re comfortable with a little bit of wiring and soldering, it’s ‎possible to use original NES and Super Nintendo (and compatible) ‎controllers, and they’re super responsive with the emulator, no ‎perceptible lag.‎

To use these controllers unmodified, you’ll need to source the ‎corresponding sockets, which can be found on eBay. Check where ‎you’re buying from and understand parts may take a few weeks to ‎arrive if overseas.‎

controllers_3

A different route is to forego the game port, cut the end off a ‎controller and hard-wire it directly into the circuit. You lose the ability ‎to ever use that controller with an actual console or other emulator ‎in the future.‎

Note: Although Super Nintendo controllers are supported, the ‎emulator itself can only handle original NES games, of the non-‎Super variety.

Wii Classic Controller

This controller was an adjunct to the Nintendo Wii “Nunchuk,” but is ‎possible to use it on its own with this breakout adapter and a bit of ‎wiring or a STEMMA QT cable. This too is a highly responsive ‎controller.

controllers_4

Support for the Wii Classic Controller is currently only enabled on ‎the Feather RP2040 DVI, as that board has the STEMMA connector ‎built in. It could be enabled on other boards if building from source ‎and an I2C-capable pair of pins are free (this may be challenging, as ‎nearly every pin is already assigned to something.)‎

Using Feather RP2040 DVI

The first hardware option, and smallest overall, uses the Feather ‎RP2040 DVI and Adalogger FeatherWing. This is also the only ‎option supporting the Wii Classic Controller by default.‎

The Adalogger FeatherWing provides the microSD card slot used for ‎holding games. This board also supports a battery-backed Realtime ‎clock, not used by this project; battery neither included nor required ‎here.‎

It’s common in some Feather projects that the ’Wing stacks on ‎top…but here, in order to access the Feather’s STEMMA port and boot ‎and reset buttons, a different approach should be taken, your choice:‎

  • Stack the Feather board on top of the ’Wing using header row ‎pins (Feather) and sockets (Wing)…low-profile headers/pins are ‎available if you want a slimmer package. Soldering the two ‎permanently (using just header row pins, no sockets) is the ‎slimmest of all options, but blocks access to the battery socket ‎and limits how this might get re-used in future projects

  • Use a FeatherWing Doubler or Tripler to mount the boards ‎side-by-side (see image below). A little extra bulk and cost but ‎has better re-use potential later.‎

These are required parts for this variant:‎

And these parts are optional, picking and choosing which suit your ‎build plans:‎

feather_5

There’s no One Hard Rule to follow for this build. Here it is with a Wii Nunchuck Adapter to a Wii Classic ‎Controller.

A FeatherWing Doubler would suffice in this case — or stack Feather atop the ’Wing — but a ‎Tripler was among parts on hand.‎

Input Options

To use a Wii Classic Controller:‎

To use one of the supported Sony USB controllers:‎

  • A suitable USB-OTG splitter cable is needed; this is something ‎we don’t stock but can be found online. Look for USB-C plug for ‎the Feather, USB-A socket for the controller, and then whatever ‎connector you would prefer for connecting power (USB micro-B ‎and USB-C are common). ‎

To use NES or SNES compatible gamepads:‎

  • This is not plug-and-play and will require a ‎little soldering and creativity. You might need to “blue wire” to ‎a few header edge pins on the Feather board, or add ‎a FeatherWing Proto to the stack (or FeatherWing Tripler if ‎mounting boards side-by-side)

  • Wire up a NES or SNES controller port (these can be found on ‎eBay)…or, if you don’t mind sacrificing a junky controller, cut ‎the plug off and wire directly between the circuits

  • Connections are:‎

table_6

ports_7

The ports are shown here from the front; wire order is mirrored if ‎looking at the back.‎

Software

Here is a pre-compiled .UF2 file for the Feather RP2040 DVI. Install as ‎you would most .UF2 files: hold down the BOOT button while ‎tapping reset or when connecting USB, and the board appears to ‎your computer as a small flash drive called RPi-RP2. Just drag the ‎file over and allow it some time to complete the transfer.‎

piconesPlusFeatherDVI.uf2‎

If the RPi-RP2 drive does not appear on your computer, try a ‎different USB cable. Even in this modern age some devices come ‎bundled with a budget “charge only” cable, but this needs a proper ‎‎“charge and sync” cable.‎

Using Pico + DV Demo Base

With two USB ports, this might be the cleanest option for using one ‎of the supported Sony USB controllers. It also uses the super ‎economical Pico RP2040 board for the brains…maybe you already ‎have one!‎

There are several versions of the Pico board; with or without headers, ‎with or without wireless, any variant can work here. Wireless isn’t ‎used in this project, but if that’s what you’ve got on hand, the ‎board’s still compatible (only difference is you won’t see an LED ‎‎“heartbeat” on this board). If your Pico board doesn’t have headers ‎installed, you’ll need to add these, which involves a bit of soldering ‎‎(also, see notes later about headers and gamepads).‎

Input Options

Wii Classic Controller is not supported with this hardware combo.‎

To use one of the supported Sony USB controllers:‎

  • A common USB-OTG cable is needed, this is even something ‎we stock. USB micro-B plug, USB-A socket. Connect this to the ‎USB port on the Pico RP2040 board

  • Power the circuit through the Pico DV Demo Base’s USB micro-‎B socket.‎

To use NES or SNES compatible gamepads:‎

  • This is not plug-and-play and will require a ‎little soldering and creativity

  • If your Pico board already has headers installed, you might ‎need to “blue wire” to a few pins there. Or…‎

  • If your Pico does not yet have headers, you’ll need to add ‎these…but consider using extra-long male headers so you have ‎pins facing both up and down, and then use female jumper ‎wires to interface to the controller

  • Wire up a NES or SNES controller port (these can be found on ‎eBay)…or, if you don’t mind sacrificing a junky controller, cut ‎the plug off and wire directly between the circuits

  • Connections are:‎

table_8

ports_9

The ports are shown here from the front; wire order is mirrored if ‎looking at the back.‎

As with the Feather on the prior page, there’s no One Hard Rule to ‎follow for this build. Here are a couple variants: one with a USB-OTG ‎cable, another wired to an NES controller port (notice that long pin ‎headers were soldered to the Pico RP2040 board in the latter case — ‎it fits in a socket and has pins going “up” for jumper wires).‎

With a Pico H board, USB-OTG cable and USB controller, this is ‎the only zero-soldering option. Every other configuration requires a ‎little bit here and there.‎

pico_10

pico_11

Software

Here is a pre-compiled .UF2 file for the Pico DV Demo Base. Install as ‎you would most .UF2 files: hold down the BOOT button while ‎tapping RUN or when connecting USB, and the board appears to ‎your computer as a small flash drive called RPi-RP2. Just drag the ‎file over and allow it some time to complete the transfer.‎

piconesPlusPimoroniDV.uf2‎

If the RPi-RP2 drive does not appear on your computer, try a ‎different USB cable. Even in this modern age some devices come ‎bundled with a budget “charge only” cable, but this needs a proper ‎‎“charge and sync” cable.‎

Using Pico + Breakouts

breakouts_12

This combination uses breadboardable components if you’d just like ‎to mess around a bit before recycling everything into another project. ‎There’s also an option to use most of the same components in ‎a custom printed circuit board — this is the best and cleanest route ‎for using a NES or SNES controller and if you want ‎something permanent and purpose-built for the task.‎

Here are some of the parts used in this version of the project. You ‎might already have some of these around! Additionally, ‎common soldering bits-and-bobs (iron, solder, flush cutters, etc.) are ‎needed.‎

There are several versions of the Pico board; with or without headers, ‎with or without wireless, any variant can work here. Wireless isn’t ‎used in this project, but if that’s what you’ve got on hand, the ‎board’s still compatible (only difference is you won’t see an LED ‎‎“heartbeat” on this board).‎

This is one part that can’t move over directly; the breadboard build ‎requires headers, while the PCB build relies on the castellated pads ‎and must sit flat. Fortunately, Pico boards are super affordable like ‎popcorn, and there are tons of other cool projects to make if you end ‎up with a spare.‎

Other microSD adapter boards should work fine for breadboard use. ‎Some might have 5V input instead of 3.3V; power these from the ‎Pico’s VBUS pin rather than 3V3. For the custom PCB, confirm your ‎microSD adapter has a compatible pinout, or use the Adafruit ‎breakout board specifically.‎

Nothing special about this HDMI cable. If you have something ‎around already, use that!‎

Additional parts specific to different builds or controllers are ‎explained as we go…‎

Input Options

Wii Classic Controller is not supported with this hardware combo.‎

To use one of the supported Sony USB controllers:‎

  • A suitable USB-OTG splitter cable is needed; this is something ‎we don’t stock but can be found online. Look for USB micro-B ‎plug for the Pico board, USB-A socket for the controller, and ‎then whatever connector you would prefer for connecting ‎power (USB micro-B and USB-C are common).‎

To use NES or SNES compatible gamepads:

  • Wire up a NES or SNES controller port (these can be found on ‎eBay)…or, if you don’t mind sacrificing a junky controller, cut ‎the plug off and wire directly between the circuits.‎

The USB-OTG cable can be omitted if using an NES/SNES ‎gamepad. Conversely, the NES/SNES port (and connections ‎described below) can be omitted if using a USB controller.‎

Breadboard Method

Breadboarding’s great for temporary projects. If you play around ‎with this and decide you really like it and want something ‎permanent, almost everything can be moved over to the custom ‎PCB explained later. ‎

Note: For the breadboard build, the Pico board must have pin ‎headers. The PCB build must have no headers (but the other boards ‎do use headers in either case).‎

Here’s some additional parts used in the breadboard build. If you’ve ‎been doing electronics for a while there’s a good chance you have ‎most of this around already:‎

A visual breadboard representation:‎

visual_13

Notice the microSD clock SO and SI pins cross on their way over; ‎these are not in the same order on both boards.‎

The NES or SNES controller port is not directly breadboard-friendly; ‎you’ll need to solder on some jumper wires to make this work. The ‎ports are shown here from the front; wire order is mirrored if looking ‎at the back.‎

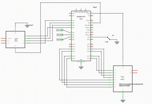
A schematic view if that’s easier to follow:‎

schematic_14

Or a pin-by-pin list of connections:‎

table_15

Any variety of momentary button/switch can be connected between ‎Pico RUN and any available GND pin to provide a reset button.‎

Custom PCB Method

Connecting everything on a purpose-made circuit board makes this ‎project robust. An NES or SNES controller can be used with a solid ‎connection to a physical port. Mounting holes facilitate installing in a ‎case if you like.‎

custom_16

This shows both the NES and SNES ports installed. You don’t need to ‎do this; one or other is fine, it’s up to you! ‎Unfortunately, there is no two-player support, but for single player ‎you can use whichever gamepad type you prefer.‎

  • ‎1 x SPDT Switch

The custom circuit board can be ordered from services such ‎as PCBWay, using files provided below. At the time this was written, ‎a set of 5 boards cost $22 USD plus postage. Most other small-run ‎PCB services should be able to work with these files (for a little ‎more, OSH Park has a very good reputation with hobbyists and ‎might arrive sooner for US addresses). Be patient and allow ample ‎time for panelization, production and shipping.‎

circuit_17

To get the PCB files, click the following link:‎

Download PicoNES PCB ZIP File

The PCB production service — PCBWay, OSH Park or other — will ‎ask for a ZIP file. Upload the still-compressed ZIP file and they should ‎be able to decode the board size and details and provide a quote.‎

If you previously built the breadboard version, the microSD and DVI ‎breakout boards will move right over. After soldering in place, the ‎long pins can be trimmed on the underside of the board. A fresh, ‎headerless Pico board must be used as this sits flat against the ‎PCB…tack down two pins at opposite corners and the rest should ‎proceed smoothly.‎

Software

Here is a pre-compiled .UF2 file for the Pico/breakout combo. Install ‎as you would most .UF2 files: hold down the BOOT button when ‎connecting USB, and the board appears to your computer as a small ‎flash drive called RPi-RP2. Just drag the file over and allow it some ‎time to complete the transfer.‎

piconesPlusAdaFruitDVISD.uf2‎

If the RPi-RP2 drive does not appear on your computer, try a ‎different USB cable. Even in this modern age some devices come ‎bundled with a budget “charge only” cable, but this needs a proper ‎‎“charge and sync” cable.‎

Tillv. artnr. 5710
ADAFRUIT FEATHER RP2040 WITH DVI
Adafruit Industries LLC
137,94 kr
View More Details
Tillv. artnr. SC0918
RASPBERRY PI PICO W RP2040
Raspberry Pi
55,36 kr
View More Details
Tillv. artnr. 5674
RPI PICO DV DEMO BASE
Adafruit Industries LLC
More Info
View More Details
Tillv. artnr. 4984
DVI BREAKOUT FOR HDMI SOURCE
Adafruit Industries LLC
17,99 kr
View More Details
Tillv. artnr. 254
MICROSD CARD BREAKOUT 5V OR 3V
Adafruit Industries LLC
69,20 kr
View More Details
Tillv. artnr. 131
SNES CONTROLLER
Adafruit Industries LLC
45,67 kr
View More Details
Tillv. artnr. 4836
STEMMA QT WII NUNCHUCK ADAPTER
Adafruit Industries LLC
27,22 kr
View More Details
Tillv. artnr. 4210
JST SH 4-PIN CABLE - QWIIC COMPA
Adafruit Industries LLC
8,77 kr
View More Details
Tillv. artnr. 2890
FEATHERWING DOUBLER - PROTOTYPIN
Adafruit Industries LLC
69,20 kr
View More Details
Tillv. artnr. 3417
FEATHERWING TRIPLER PROTO BOARD
Adafruit Industries LLC
78,43 kr
View More Details
Tillv. artnr. 2922
ADALOGGER FEATHERWING - RTC + SD
Adafruit Industries LLC
82,58 kr
View More Details
Tillv. artnr. 2884
FEATHERWING PROTO - PROTOTYPING
Adafruit Industries LLC
45,67 kr
View More Details
Tillv. artnr. SC0917
RASPBERRY PI PICO H RP2040
Raspberry Pi
46,13 kr
View More Details
Tillv. artnr. 1099
USB A RCPT TO MICRO B ON-THE-GO
Adafruit Industries LLC
23,07 kr
View More Details
Tillv. artnr. 1951
JUMPER WIRE F TO F 3" 28AWG
Adafruit Industries LLC
17,99 kr
View More Details
Tillv. artnr. 4682
MICROSD SPI/SPIO BREAKOUT BOARD
Adafruit Industries LLC
32,29 kr
View More Details
Tillv. artnr. 608
CABLE M-M HDMI-A 1M
Adafruit Industries LLC
45,67 kr
View More Details
Tillv. artnr. 2143
RASPBERRY PI CAMERA CABLE 1M
Adafruit Industries LLC
36,45 kr
View More Details
Tillv. artnr. 1957
JUMPER WIRE M TO M 6" 28AWG
Adafruit Industries LLC
17,99 kr
View More Details
Tillv. artnr. 1956
JUMPER WIRE M TO M 3" 28AWG
Adafruit Industries LLC
17,99 kr
View More Details
Add all DigiKey Parts to Cart
Have questions or comments? Continue the conversation on TechForum, DigiKey's online community and technical resource.